Profilés 20x60 ACRZilla

La gamme de profilés aluminium ACRZilla de la série 20x60 vous permettra de réaliser des ossatures pour imprimantes 3D, pour machines CNC, pour découpeuses/graveuses laser et autres dispositifs divers. 
 
 
Présentation gamme profilés ACRZilla 20x60 

 
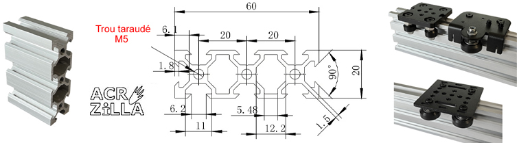
Dotés d'une section de 20 x 60 mm ces profilés sont disponibles dans des longueurs de 4, 6, 10, 20, 30 et 60 cm. Ils disposent d'un trou taraudé (M5) à chaque extrémité. Leurs rainures peuvent recevoir des vis de type marteau et des écrous en T ou de type lardon ainsi que des roues et chariots mobiles. De très nombreux accessoires et équerres optionnels compatibles avec ces derniers vous permettrons de réaliser des assemblages complexes et très solides tels que des dispositifs de translation rectiligne par exemple.

Affichage 1-6 sur 6 produit(s)
Affichage 1-6 sur 6 produit(s)
Produit ajouté à ma liste