Objectif FishEye ArduCAM LN007 pour vision panoramique 360°
Cet objectif M25170H12 grand angle (180°) 1/2.5" FishEye est spécialement étudié pour les modules caméras ArduCAM (OV5647 et IMX219) ainsi que pour obtenir une vision panoramique 360° (en utilisant 4 caméras).
Cette objectif 1/2.5" (à visser) avec lentille FishEye vous permettra de disposer d'un grand angle de vision (185°). Idéal pour une vision panoramique 360° avec 4 caméras MINI ArduCAM B0067 ou B0068 et une platine multi-camera ArduCAM (non livrées).
Caractéristiques:
- Objectif: 1/2.5"
- Focale: 1.7 mm
- Focale équivalente 35 mm: 18,4 mm
- Lentille convexe grand angle FOV (D/H/V): 180°/180°/140°
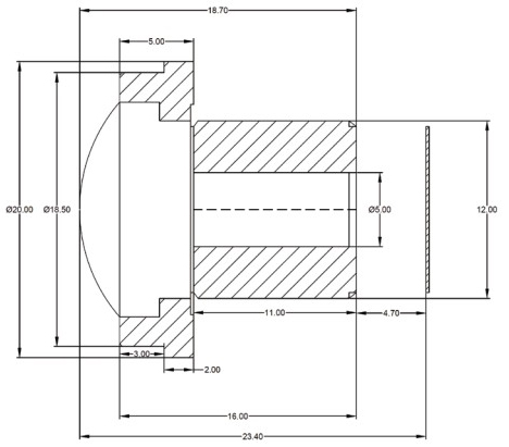
- Dimensions: Ø 20 x 18,7 mm
- Pas de vis: M12 x 11 mm
- Filtre IR 650
- Pour caméras ArduCAM B0031, B0103 (OV5647 et IMX219) et compatible
- Poids: 8 g
- Site du fabricant
- Datasheet du module
Produits associés