Objectif caméra ArduCAM LN009 1.71mm pour Raspberry Pi
Cet objectif M30171H16 de 1.71mm 1/3" à visser est spécialement étudié pour les modules caméras ArduCAM (OV5647 et IMX219) pour Arduino et Raspberry Pi avec filetage M12. Il est équipé d'un filtre IR.
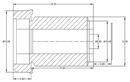
Cet objectif M30171H16 de 1.71mm 1/3" à visser est spécialement étudié pour les modules caméras ArduCAM (OV5647 et IMX219) pour Arduino et Raspberry Pi avec filetage M12. Il est équipé d'un filtre IR.
Caractéristiques:
- Objectif: 1/3"
- Focale: 1.71 mm
- Focale équivalente 35 mm: 18,5 mm
- Lentille angle FOV (D/H/V): 184°/184°/104°
- Dimensions: Ø 15 x 19,7 mm
- Pas de vis: M12 x 13 mm
- Filtre IR 650
- Pour caméras ArduCAM OV5647, IMX219 et compatibles
- Poids: 7 g
- Site du fabricant
- Datasheet du module