Votre panier
Il n'y a plus de produit dans votre panier
Objectif 8mm M2508ZH02 pour caméras ArduCAM
Cet objectif M2508ZH02 de 8mm 1/2.5" à visser est spécialement étudié pour les modules caméras ArduCAM (OV5647 et IMX219) pour Arduino et Raspberry Pi avec filetage M12. Il est équipé d'un filtre IR.
Cet objectif M2508ZH02 de 8mm 1/2.5" à visser est spécialement étudié pour les modules caméras ArduCAM (OV5647 et IMX219) pour Arduino et Raspberry Pi avec filetage M12. Il est équipé d'un filtre IR.
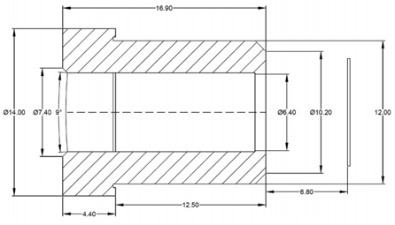
Caractéristiques:
- Objectif: 1/2.5"
- Focale: 8 mm
- Focale équivalente 35 mm: 86,5 mm
- Lentille angle FOV (D/H/V): 50°/40°/30°
- Dimensions: Ø 14 x 16,9 mm
- Pas de vis: M12 x 12,5 mm
- Filtre IR 650
- Pour caméras ArduCAM OV5647, IMX219 et compatibles
- Poids: 7g
- Site du fabricant
- Datasheet du module
Aucun avis
Il est nécessaire d'être connecté pour laisser un avis