Objectif 16mm M2016ZH01 pour caméras ArduCAM
Cet objectif M2016ZH01 de 16mm 1/2.5" à visser est spécialement étudié pour les modules caméras ArduCAM (OV5647 et IMX219) pour Arduino et Raspberry Pi avec filetage M12. Il est équipé d'un filtre IR.
Cet objectif M2016ZH01 de 16mm 1/2.5" à visser est spécialement étudié pour les modules caméras ArduCAM (OV5647 et IMX219) pour Arduino et Raspberry Pi avec filetage M12. Il est équipé d'un filtre IR.
Caractéristiques:
- Objectif: 1/2.5"
- Focale: 16 mm
- Focale équivalente 35 mm: 173 mm
- Lentille angle FOV (D/H/V): 29°/23°/17°
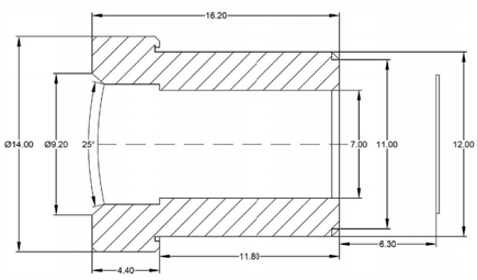
- Dimensions: Ø 14 x 16,2 mm
- Pas de vis: M12 x 11,8 mm
- Filtre IR 650
- Pour caméras ArduCAM OV5647, IMX219 et compatibles
- Poids: 5g
- Site du fabricant
- Datasheet du module