Module TinyPLC TPC26
Le module TinyPLC TPC26 se présente sous la forme d'un circuit intégré DIL "standard" 40 broches. Il est très recherché par les intégrateurs "OEM" de part ses petites dimensions et ses nombreuses possibilités.
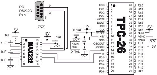
L'exploitation du "TPC26" est on ne peu plus simple et se résume à l'ajout d'un quartz de 7.3728 Mhz, associé à 2 condensateurs de 27 pF. Il conviendra également d'ajouter un circuit MAX-232 qui assurera la compatibilité des niveaux des signaux en provenance du port série du PC qui servira à télécharger vos programme au sein de la mémoire Flash du "TPC26".
Afin de vous faciliter la tâche, nous vous proposons également le jeu de composants additionnels nécessaires à la mise en œuvre du "TPC26" (voir au bas de la page). Ce pack comprend: 1 circuit intégré "Max232" + 6 condensateurs 0.1 µF + 1 quartz 7.3728 MHz + 2 condensateurs 27 pF + 1 prise sub-D 9 broches + supports pour TPC26 et MAX232.
Si vous ne désirez pas réaliser vous même votre platine support, sachez que nous proposons aussi une platine optionnelle "BASEF24R" dotée de sorties sur relais et d'entrées opto-couplées, laquelle est directement conçue pour pouvoir recevoir le "TPC26".
Le "TPC26" pourra être programmé au moyen d'un simple câble série ou d'un câble de conversion USB <> Série.
Caractéristiques techniques du module "TPC26"
- Mémoire programme : 16 K
- Temps de cycle : 2,5 ms
- Commandes de base : 27
- Commande applications : 84
- E/S de base : 26
- Convertisseur "N/A" (Non)
- Conv. "A/N" 10 bits : 8 (parmis 26 E/S)
- Mémoire vive : 256
- Mémoire sauvegarde : 512
- Contrôle pas-à-pas :16 de 255 pas
- Temporisateurs : 64
- Compteurs : 32
- Mémoire 16 bits : 220
- Buffer LCD : 4 x 2 car. max.
- Buffer afficheur 7 seg. : 5 x 8 digits max.
- Compteur rapide : 1 (16 bits)
- Type de boîtier : DIL 40 broches
- Dimensions : 14 x 52 x 7 mm
A la manière des microcontrôleurs, les TinyPLC peuvent être programmés pour contrôler et piloter différents périphériques en se substituant à des relais dans les équipements d'automatismes. Néanmoins, à l'inverse des microcontrôleurs basés sur une programmation en langage "C", en "Basic" ou en "assembleur" qui accomplissent pour la plupart des actions les unes à la suite des autres de façon séquentielle, les TinyPLC sont multitâches et réalisent plusieurs commandes simultanément. Ces derniers intègrent ainsi une notion de temps de cycle (de durée fixe) pendant lequel le programme du TinyPLC est lu du début jusqu'à la fin, quelle que soit sa longueur.

Les "TinyPLC" pour qui ? pour quoi faire ?
De part leur étonnantes possibilités, leur grande puissance et leur faible coût, les tinyPLC pourront être intégrés au sein d'innombrables applications professionnelles.
- Ils pourront constituer une solution idéale pour les personnes qui ne "maîtrisent" pas et qui ne désirent pas s'investir dans l'étude et l'initiation de langages "traditionnel" (Basic, "C", etc...), mais qui ont des notions d'automatismes et de programmation en langage "contact" et qui pourront ainsi tout de même développer des applications "microcontrôlées" très complètes.
- Les utilisateurs "confirmés" habitués à travailler avec les automates "standards" du marchés trouverons également très rapidement leur "marque" avec les TinyPLC qui leur apporterons la possibilité de concevoir eux même leur propre configuration à des coûts extrêmement compétitifs.
- Les TinyPLC sont également très plébiscités par les milieux éducatifs (universités, I.U.T, écoles d'ingénieurs, centres de formation) de part leur grande simplicité de mise en œuvre et leur rapport qualité / prix / performance qui en font des outils pédagogiques très intéressants.
La programmation des "TinyPLC"
Disponible en libre téléchargement en version complète, le logiciel de développement dédié aux TinyPLC devra être associé à un câble de liaison série RS-232 ou USB (à acquérir en plus des modules TinyPLC). La programmation des TinyPLC repose sur un langage "pseudo-graphique" / type "contact" emprunté à l'automatisme, associé à de puissantes instructions d'entrées/sorties, de gestion de compteurs et de traitement des données. Une fois votre programme écrit, il vous sera possible de le compiler et de le transférer dans la mémoire du module qui pourra alors être désolidarisé du PC pour devenir autonome. Toutefois, lorsqu'il est relié au PC, vous disposez d'un mode "debug" qui vous permettra d'afficher en temps réel l'état des entrées/sorties, la valeur des compteurs et autres mémoires sur l'écran du PC.
Le logiciel de programmation fonctionnant sur base "PC" existe pour le système d'exploitation Windows™ 98/Me/Se ou Windows™ XP™. Les 2 versions bénéficiant des mêmes possibilités et facilité d'utiliation.
Que faut-il pour commencer ?
1) La première chose à acquérir est le module TinyPLC en lui même (choisissez ce dernier en fonction du nombre de ses d'entrées/sorties et de sa capacité mémoire).
2) Téléchargez ensuite librement son logiciel de programmation.
3) Procurez vous un câble de programmation (à connexion série ou USB).
4) Réalisez une platine support sur laquelle vous pourrez enficher votre TinyPLC (nous distribuons également des platines prêtes à l'emploi si nécessaire).
5) Vous disposez d’une multitude de petits modules optionnels qui vous permettrons d’accélérer vos développements en vous proposant des sous-ensembles fonctionnels (écrans LCD, Clavier, etc...).
- Datasheet du module
Produits associés