Votre panier
Il n'y a plus de produit dans votre panier
Gestion convertisseurs
Gestion de convertisseurs à l'aide des PICBASIC
Vous trouverez ci-dessous de très nombreuses notes d'applications mais aussi des exemples de programmes et des descriptions de réalisations conçues sur la base des modules PICBASIC, lesquelles vous permettront d'accélérer et de faciliter le développement de vos propres projets. Certains des programmes sources présentés dans ces notes d'applications sont téléchargeables via ce lien.
Interface universelle à base de "PICBASIC-3H" - 08/12/2003 - Mr Narbonne Alexandre

Ce site reprend point par point avec de très nombreuses explications la description d'une interface microcontrôlée universelle conçue sur la base d'un "PICBASIC-3B". La carte intègre une liaison série, un afficheur LCD, une mémoire additionnelle E2PROM (adressée via une communication I2C™), un convertisseur "analogique/numérique" multi-entrées 12 bits et 11 bits (adressé via une communication SPI™), mais aussi un buzzer, des entrées tout-ou-rien et des sorties avec buffers, des sorties relais, PWM, etc, etc...
De part l'étendue des possibilités de la carte, la mise à disposition de très nombreuses explications, schémas, exemples de programmes, cette description est une véritable "référence" pour tous ceux qui désirent étendre les possibilités des PICBASIC et nous ne pouvons de part sa qualité que vous conseiller de consulter sans plus attendre le site Internet qui s'y rapporte. Voir le lien suivant: Description complète de la carte
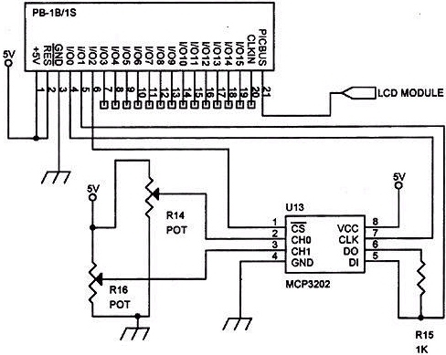
Ajout d'un convertisseur "Analogique / Numérique" 12 bits - Lextronic
Bien que la plupart des modules "PICBASIC" disposent d'entrées de conversion analogique / numérique, il peut être intéressant pour certaines applications professionnelles ou la précision est importante de bénéficier d'un convertisseur 12 bits. Lors de la conversion en mode 8 bits, le résultat obtenu est matérialisé par un nombre compris entre 0 et 255. Dans le cadre d'une conversion sur 12 bits, le résultat se fera sur un nombre compris en 0 et 4095. Dans l'exemple qui suit, on a recours à un circuit intégré de type "E" doté d'un mode d'interface série de type "MICROWIRE™". Ce circuit dispose de 2 entrées de conversion distinctes indépendamment sélectionnables. Son interfaçage avec les "PICBASIC" ne nécessitera que 3 ports comme indiqué sur le schéma ci-dessous. On se repportera à la notice propre au "MCP3202" (facilement trouvable sur Internet), pour comprendre le mode d'adressage "MICROWIRE™".

10 DIM I AS BYTE
20 DIM AD AS INTEGER
30 OUT 2,0
40 I = &B1111
' Chip Select (CS) = 0
' Selection de l'entrée analogique CH1
' Ecrivez I = &B1011 pour sélectionner l'entrée analogique CH0
50 SHIFTOUT 0,1,0,I,4
60 AD = SHIFTIN(0,1,3,12)
70 OUT 2,1 ' Chip Select (CS) = 1
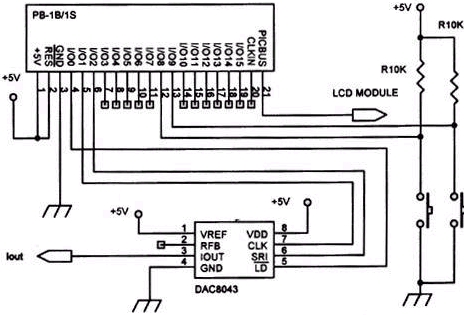
Ajout d'un convertisseur "Numérique / Analogique" 12 bits - Lextronic
Cet exemple montre comment ajouter un convertisseur numérique/analogique 12 bits à un "PICBASIC" en faisant varier la valeur de sa tension de sortie gr,ce à 2 boutons-poussoirs, tout en affichant cette dernière sur un écran LCD à commande série. Pour ce faire, on a recours à un convertisseur "DAC8043" qui se pilote par bus série via l'instruction "SHIFTOUT".

DIM A AS INTEGER
DIM J AS BYTE, K AS BYTE
A = 0
SET PICBUS HIGH
LCDINIT
10 IF KEYIN(8) = 0 THEN A=A+10
IF KEYIN(9) = 0 THEN A=A-10
LOCATE 0,0
PRINT HEX(A)
OUT 0,1
SHIFTOUT 1,2,1,A,12
OUT 0,0
OUT 0,1
GOTO 10

Multiplexage d'une entrée de conversion "Analogique / Numérique - Lextronic
Il vous est possible en ajoutant un simple circuit intégré 4051 de pouvoir lire la valeur de 8 tensions analogiques à partir d'une seule entrée ! Le principe est très simple, le circuit 4051 est un commutateur analogique dont la position est fonction du code appliqué sur ses 3 entrées d'adressage "A,B,C". Ainsi, en faisant varier les niveaux logiques sur ces dernières, une des entrées X0 à X7 sera successivement reliée à la sortie "X". Par exemple, pour lire la valeur de la tension du potentiomètre 1, il faudra au préalable placer "A,B et C" à 0V à l'aide des sorties "I/O 8 à I/O 10" et ensuite lire la valeur à l'aide de l'entrée "I/O O".
