Circuit USB clavier JW24GP32P pour lecture d'entrées numériques
Le circuit JoyWarrior24GP32 est conçu pour vous permettre de lire simplement l'état d'un clavier ou d'entrées numériques via le bus USB de votre ordinateur.
Le circuit JoyWarrior24GP32 est conçu pour vous permettre de lire simplement l'état d'un clavier ou d'entrées numériques via le bus USB de votre ordinateur.
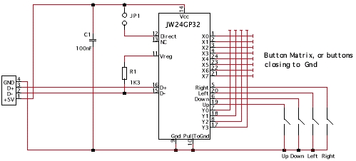
Le JoyWarrior24GP32 est ainsi doté d'entrées capables de lire l'état d'un clavier matricé de 32 touches max. ou l'état de 12 entrées tout-ou-rien. L'intérêt principal du circuit est que les informations relatives à ces données seront perçues de la part de votre ordinateur (PC ou Mac) comme s'il s'agissait de données en provenance d'un Joystick. Dès lors l'intégration de votre dispositif d'acquisition au sein d'applications courantes sera extrêmement aisée, sans nécessiter de drivers, ni de connaissance particulière
sur le BUS USB.

Caractéristiques:
- Interface USB (low speed)
- Compatible USB V1.1/2.0
- Compatible HID 1.1
- Lecture de 32 touches via un clavier matricé
ou
- Lecture de 12 entrées tout ou rien
- Alimentation +5 Vcc
La référence ci-dessous concerne le circuit intégré "JoyWarrior24GP32" seul en version DIP. Il est également possible d'obtenir (par quantité) le circuit "JoyWarrior24GP32" en boîtier SOIC24.
- Datasheet du module