Circuit intégré USB MW24J8P pour lecture analogique et numérique
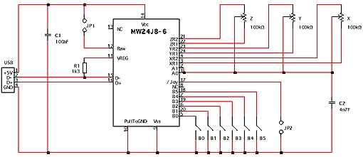
Le circuit MouseWarrior24A8 est conçu pour vous permettre de lire simplement l'état d'entrées analogiques et d'entrées numériques via le bus USB de votre ordinateur.
Le circuit MouseWarrior24A8 est conçu pour vous permettre de lire simplement l'état d'entrées analogiques et d'entrées numériques via le bus USB de votre ordinateur.
Le MouseWarrior24A8 est ainsi doté de 3 entrées de conversion "analogique/numérique" et de 6 entrées tout-ou-rien. L'intérêt principal du circuit est que les informations relatives à ces données seront perçues de la part de votre ordinateur (PC ou Mac) comme s'il s'agissait de données en provenance d'une souris ou d'un Joystick.
Dès lors l'intégration de votre dispositif d'acquisition au sein d'applications courantes sera extrêmement aisée, sans nécessiter de drivers, ni de connaissance particulière
sur le BUS USB.

La sélection du mode "souris" (6 boutons et molette de "scrolling") ou "Joystick" (3 axes) se fait en fonction du niveau logique appliqué sur une des entrées du circuit intégré. Il est à ce titre possible de passer d'un mode à l'autre à tout moment.
Caractéristiques:
- Compatible USB V1.1/2.0
- Compatible HID 1.1
- 3 entrées de conversion "analogique/numériques"
- 6 entrées tout ou rien
- Alimentation +5 Vcc
La référence ci-dessous concerne le circuit intégré "JoyWarrior24A8-8" seul en version DIP. Il est également possible d'obtenir (par quantité) le circuit "MouseWarrior24A8" en boîtier SOIC24.
- Datasheet du module