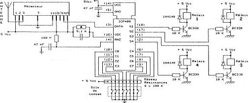
Circuit décodeur 4 canaux simultanés
Associé à un récepteur radio et à quelques composants supplémentaires, ce circuit intégré est capable de décoder de 1 à 4 ordres issus d'un codeur UM3750 (ou MM53200).
La partie codage de la télécommande à réaliser (non livrée) devra être constituée d'un module émetteur radio, associé à un circuit codeur de type UM3750 (ou MM53200) dont l'état des 4 derniers bits reflèttera la position des 4 boutons-poussoirs de commande. Les 8 premiers bits étant conservés pour assurer le codage de sécurité de la transmission.
Le décodage sera alors effectué par le circuit "ICP400" qui délivrera l'état des 4 boutons-poussoirs de l'émetteur au travers de 4 sorties logiques. Les commandes sont en mode simultané et impulsionnel (si plusieurs boutons-poussoirs sont sollicités en même temps, l'ICP400 activera les sorties respectives en même temps). Tant que la ou les boutons-poussoirs sont sollicités, la ou les sorties de l'ICP400 sont activées. Au relâchement des BP, les sorties sont désactivées.
Les avantages d'un tel circuit sont bien évidemment très intéressants puisqu'ils vous permettent de remplacer 4 circuits intégrés type UM3750 (gains de prix, de place, de consommation, utilisation d'un seul Dil de codage, mode simultané...).

Brochage du circuit intégré
Raz Entrée initialisation -
OSC Entrée oscillateur Nécessite un simple RC
S1 Sortie N°1 Niveau logique (0-5 V)
S2 Sortie N°2 Niveau logique (0-5 V)
S3 Sortie N°3 Niveau logique (0-5 V)
S4 Sortie N°4 Niveau logique (0-5 V)
DATA Entrée signal "PCM" En provenance du récepteur
C0 Codage Dil 1
. .
. .
C7 Codage Dil 8
VCC Borne d'alimentation + 5 Vcc
GND Masse -
Schéma théorique de mise en oeuvre
