Potentiomètres linéaires rotatifs PAMS 100Ω-1MΩ avec interrupteur intégré

Potentiomètre linéaire Mono + inter  - 1
PAMS-4-7K
Disponible
6,25 € TTC
5,21 € HT

De 100 Ω à 1 MΩ (avec interrupteur)

Modèle

Reprise 1 pour 1         Frais de port à partir de 7.90 €   infos

 

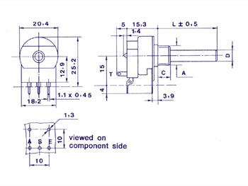
Potentiomètres linéaires rotatifs de 20mm avec interrupteur et piste de carbone pour applications CI. Boîtier métallique et axe en plastique (Ø 6mm). 

Caractéristiques:
- Puissance admissible: 0,4 W
- Plage de résistance: 100 ohms à 1 Mohms
- Interrupteur unipolaire: 1A/24VCC - 0,3A/250VAC
- Tension d'utilisation: 500VCC

 

Aucun avis
Il est nécessaire d'être connecté pour laisser un avis

Produits associés

Produit ajouté à ma liste