Pont redresseur circuit imprimé LEX2750913 15A 600V GBU1506

Pont de diodes GBU1006 (10A - 800V)
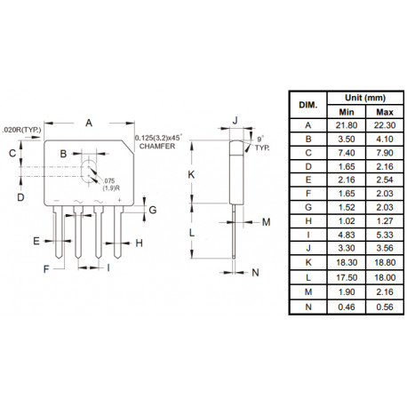
Dimensions du pont de diodes GBU1006 (10A - 800V)
Pont de diodes GBU1006 (10A - 800V)
Dimensions du pont de diodes GBU1006 (10A - 800V)
LEX-2750913
Peu de pièces en stock
3,20 € TTC
2,67 € HT

Pont redresseur avec pattes à souder sur circuit imprimé.

Reprise 1 pour 1         Frais de port à partir de 7.90 €   infos

 

Pont de diodes type GBU1506 avec broches en ligne à souder sur circuit imprimé (dimensions voir schéma).

  • Ifsm (courant de crête): 240A
  • Vf (tension directe): 0.95V
  • Vrrm (tension inverse): 600V max.
  • Ir (courant inverse): 10-500µA (25°C-125°C)
  • I(av) (courant redressé): 15A max.
Aucun avis
Il est nécessaire d'être connecté pour laisser un avis
Produit ajouté à ma liste