Objectif FishEye ArduCAM LN019 pour vision panoramique 360°
Cet objectif M30158M grand angle (185°) 1/3" FishEye est spécialement étudié pour les modules caméras MINI ArduCAM (OV2640 ou OV5642) ainsi que pour obtenir une vision panoramique 360° (en utilisant 4 caméras).
Cette objectif 1/3" (à visser) avec lentille FishEye vous permettra de disposer d'un grand angle de vision (185°). Idéal pour une vision panoramique 360° avec 4 caméras MINI ArduCAM B0067 ou B0068 et une platine multi-camera ArduCAM (non livrées).
Caractéristiques:
- Objectif: 1/3"
- Ouverture: F1:2.0
- Focal: 1.58 mm
- Lentille convexe grand angle FOV (D/H/V): 185°/185°/120°
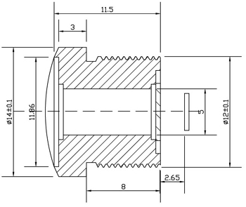
- Dimensions: Ø 14 x 11,5 mm
- Pas de vis: M12 x 7 mm
- Filtre IR 650
- Pour caméras MINI ArduCAM B0067 (OV2640 2MP) et B0068 (OV5642 5MP)
- Poids: 3 g
- Site du fabricant
- Datasheet du module
Produits associés