Objectif caméra ArduCAM LN005 avec focale 2.1mm et filtre IR
L'objectif 2.1mm (1/2.7") M27210H08 à visser est spécialement étudié pour les modules caméras ArduCAM (OV5647 et IMX219) pour Arduino et Raspberry Pi avec filetage M12. Il est équipé d'un filtre IR.
L'objectif 2.1mm (1/2.7") M27210H08 à visser est spécialement étudié pour les modules caméras ArduCAM (OV5647 et IMX219) pour Arduino et Raspberry Pi avec filetage M12. Il est équipé d'un filtre IR.
Caractéristiques:
- Objectif: 1/2.7"
- Focale: 2.1 mm
- Focale équivalente 35 mm: 22,7 mm
- Lentille angle FOV (D/H/V): 136°/130°/101°
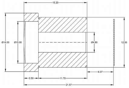
- Dimensions: Ø 14 x 15,2 mm
- Pas de vis: M12 x 11,7 mm
- Filtre IR 650
- Pour caméras ArduCAM OV5647, IMX219 et compatible
- Poids: 5 g
- Site du fabricant
- Datasheet du module