Motoréducteur avec encodeur EMG49
Motoréducteur (pour robotique, automate, etc...) avec encodeur (980 impulsions/révolution - Rapport: 1:49). Sortie sur 2 connecteurs femelles. Alimentation: 24 Vcc.
Moteur grand format de haute qualité, très silencieux et très précis.
- Sorties sur 2 câbles 30 cm env. pour alimentation et encodeur de quadrature
- Idéal pour réalisation de robots de grande taille
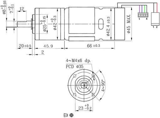
Brochage du connecteur 2 plots type Excon 3961 (pas 3.96mm)
(1) Noir Alimentation moteur GND (masse)
(2) Rouge Alimentation moteur VCC
Brochage du connecteur 4 plots type JST PHR-4
(1) Violet Sortie encodeur canal B
(2) Bleu Sortie encodeur canal A
(3) Vert Masse encodeur Gnd
(4) Marron Alimentation encodeur VCC
Caractéristiques générales
- Moteur 24 V avec réducteur (rapport 1:49)
- Consommation: 2100 mA env. (et 500 mA à vide)
- Courant de blocage: 13 A
- Vitesse de rotation: 122 rpm (143 rpm à vide)
- Couple: 16 kg.cm.
- Encodeur: 980 impulsions par tour
- Dimensions: Ø42,4 x 130 mm env. (hors arbre)
- Axe Ø 8 mm (7 mm sur méplat)
Produits associés