Mini centrale d'alarme LEX1030 pour une zone de sécurité fiable et efficace
Mini-centrale d'alarme 1 zone
Ce circuit intégré est le cœur d'une mini-centrale d'alarme capable de gérer une "zone". Il pourra être idéalement utilisé en association avec des détecteurs réalisés à base de capteurs infrarouges ou hyperfréquences afin d'assurer une grande fiabilité.
A sa mise sous tension, ce dernier génère une temporisation de sortie paramétrable (45 - 60 - 75 ou 90 s) puis surveille la zone (avec lecture fiabilisée éliminant les détections parasites et système de comptage d'impulsions paramétrable: 2 - 4 - 6 - 12). En cas d'alarme, il génère une tem-porisation d'entrée paramétrable (0 - 10 - 30 - 40 s), puis d'alarme (activation d'une sortie pendant une tempo paramétrable: 1 s - 60 s - 180 s ou aléatoire: 5s à 3 mn). Idéal pour réaliser une mini-centrale ou utilisation en association avec des capteurs. Livré seul, avec notice, sans implantation, ni circuit imprimé.
Extrait de la notice du circuit intégré
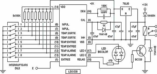
Circuit intégré "LEX1030":
Ce circuit intégré est un temporisateur faisant office de mini-centrale d'alarme. A la mise sous tension, il entame une phase de temporisation de sortie (dont la valeur est paramétrable au moyen des dils 7 et 8). Cette dernière vous permet d'une part de quitter l'aire de surveillance sans être détecté et d'autre part d'assurer l'initialisation du capteur. Durant toute cette temporisation la Led bicolore clignote alternativement du rouge au vert. Au terme de celle-ci, la Led s'éteint et le radar est sous surveillance.
En cas de détection, suivant la position des dils 1 et 2, le circuit "LEX1030" pourra entamer une temporisation d'entrée (vous permettant de venir stopper le radar avant que la sortie alarme ne s'enclenche). Cette phase est matérialisée par l'allumage de la Led au vert fixe. Au terme de la temporisation d'entrée, la sortie alarme est activée durant la temporisation également configurable au moyen des dils 3 et 4 et matérialisée par l'allumage de la Led au rouge fixe. Au terme de cette temporisation, la Led et la sortie alarme sont désactivée et le radar "retourne" sous surveillance. A noter la possibilité intéressante de pouvoir sélectionner une valeur de la temporisation alarme à 1s (ceci convient dans le cas où vous désirez relier votre radar à une centrale d'alarme), à 1 ou 3 mn (idéal pour piloter directement une sirène) ou pour une temporisation générée aléatoirement (et à chaque fois différente) dont la valeur sera comprise entre 10 s et 15 mn (idéal pour déclencher un dispositif de simulation de présence; poste de radio, lampes, etc...). Les dils 5 et 6 servent à sélectionner la valeur du comptage d'impulsion (1 - 2 - 4 - 6) nécessaire au déclenchement de la sortie alarme afin de l'adapter au mieux à l'emplacement, à la fiabilité et au mode de détection envisagé.
|
Rappel du rôle des interrupteurs-dil |
|
Temporisation d'entrée
|
|
Temporisation de sortie
|
|
Temporisation d'alarme
|
Comptage d'impulsion
|
Produits associés




