Circuit JoyWarrior USB JW24A88 pour Entrées Analogiques et Numériques
- Rupture de stock
Ce produit est épuisé. Nous maintenons sa présence sur notre site pour que les personnes ayant fait son acquisition puissent toujours avoir accès à sa documentation (mais ce dernier ne peut plus être commandé).
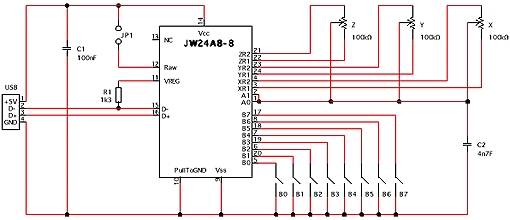
Le circuit "JoyWarrior24A8-8" est conçu pour vous permettre de lire simplement l'état d'entrées analogiques et d'entrées numériques via le bus USB de votre ordinateur.
Le "JoyWarrior24A8-8" est ainsi doté de 3 entrées de conversion "analogique/numérique" (avec une résolution sur 8 bits) et de 8 entrées tout-ou-rien. L'intérêt principal du circuit est que les informations relatives à ces données seront perçues de la part de votre ordinateur (PC ou Mac) comme s'il s'agissait de données en provenance d'un Joystick.
Dès lors l'intégration de votre dispositif d'acquisition au sein d'applications courantes sera extrêmement aisée, sans nécessiter de drivers, ni de connaissance particulière sur le BUS USB.

Caractéristiques:
- Interface USB (low speed)
- Compatible USB V1.1/2.0
- Compatible HID 1.1
- 3 entrées de conversion "analogique/numériques" (résolution 8 bits)
- 8 entrées tout ou rien
- Alimentation +5 Vcc
La référence ci-dessous concerne le circuit intégré "JoyWarrior24A8-8" seul en version DIP. Il est également possible d'obtenir (par quantité) le circuit "JoyWarrior24A8-8" en boîtier SOIC24.
- Datasheet du module