Circuit codeur / décodeur "12 canaux"
Ce circuit intégré configurable en codeur ou en décodeur, permet la réalisation d'une télécommande radio 12 canaux (en association avec un émetteur et un récepteur radiometrix).
Doté d'une faible consommation et ne nécessitant que peu de composants externes pour être exploité, le circuit "CTRL124" met en oeuvre un codage de type "bi-phase" afin d'optimiser la portée et la fiabilité des transmissions des modules radio qui lui seront associés.
Indifféremment configurable en codeur ou en décodeur, le module dispose de 12 entrées différentes (destinées à recevoir des boutons-poussoir de commande) et de 4 autres entrées destinées à configurer une adresse personnalisée pour la transmission des commandes radios.

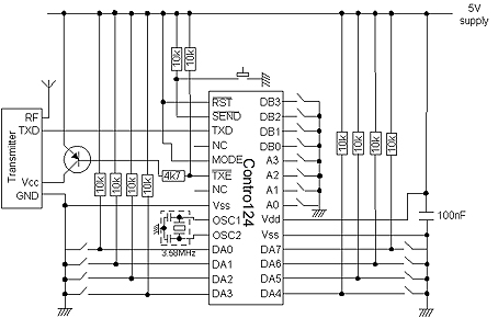
Exemple d'exploitation en mode "codeur"
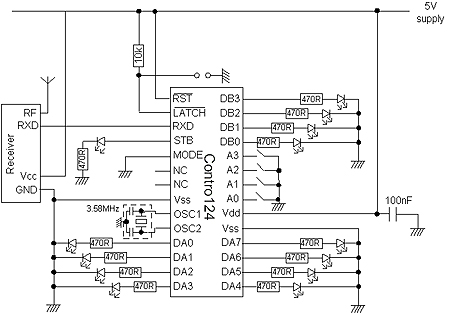
Exemple d'exploitation en mode "décodeur"
Le circuit "CTRL124" existe en plusieurs versions en fonction:
> De sa tension d'alimentation: +5 V (ou + 3 V sur commande).
> Du type de boîtier désiré: DIL (ou SO ou SS sur commande).
> De sa vitesse de codage et de décodage.
Versions "standards": destinées à fonctionner en association avec un module radiofréquence à bas débit (bande étroite) afin de privilégier la portée.
Versions "Rapides": destinées à fonctionner en association avec un module radiofréquence à haut débit afin de privilégier le temps de réaction des ordres envoyés.
Toutes les versions sont au même tarif. Attention ces circuits sont exclusivement destinés à être commercialisés en association avec des modules hybrides Radiometrix (les circuits ne sont pas vendus seuls).
Nouveau: Testez gratuitement (*) les modules Radiometrix 
Vous envisagez de développer une application nécessitant l'utilisation de modules de communication
radiofréquence ? Vous êtes un peu perdu parmi la gamme de produits disponibles sur le marché ?
Ne cherchez plus ! Bénéficiant de tarifs très compétitifs et de performances qui les placent loin devant "les autres", les modules Radiometrix sont fait pour vous. Pour vous en convaincre, nous vous proposons de vous adresser gratuitement en prêt et sans obligation d'achat (*) un kit d'évaluation pour une période d'essai de 10 jours afin que vous puissiez tester et apprécier leurs possibilités.
Pour ce faire exposez nous les besoins de votre application radio en remplissant et en nous retournant ce formulaire par fax (vous pouvez également recopier le contenu de ce dernier et nous l'adresser par émail). A l'aide de ces informations, nous vous adresserons un kit d'évaluation associé aux modules radiofréquences adaptés à vos contraintes techniques.
(*) Cette offre est valable uniquement pour les sociétés qui résident en France Métropolitaine.
Le délai d'expédition de votre kit d'évaluation est fonction des pièces disponibles en stock.
Nous nous réservons le droit de ne pas expédier de kit d'évaluation si le projet proposé n'est pas
techniquement viable ou si les modules Radiometrix ne conviennent pas pour ce dernier.
- Datasheet du module