Capteur de force (10 Kg)
Cette barre métallique (IP65) est un capteur de pesage capable de mesurer un poids pouvant atteindre 10 Kg. Selon la force ou le poids appliqué ce capteur voit sa résistance varier.
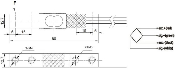
Cette barre métallique (IP65) est un capteur de pesage capable de mesurer un poids pouvant atteindre 10 Kg. Selon la force ou le poids appliqué ce capteur voit sa résistance varier.
Ce dernier doit être connecté à un module amplificateur HX711 (non livré) pour pouvoir être exploité par un microcontrôleur (type Arduino®, mbed, photon, Omega2, Espuino, PHPoC, PyBoard, Teensy, feather, Arietta, Cubloc, PICBASIC...).
Caractéristiques:
- Charge maxi: 10 Kg
- Dimensions: 80 x 12,7 x 12,7 mm
- 4 trous de fixation M4 et M5 (vis non inclus)
- Sortie (mV/V): 1 ±0,15
- Plage d'erreur (%FS) : 0,05
- Sortie sur 4 fils* (250 mm)
- Poids: 31 g

*Les capteurs de charge que nous distribuons disposent de 4 fils de couleur à relier à module amplificateur HX711 (disponible en option en bas de page).
Ces fils de couleurs correspondent à:
Rouge (Excitation+ ou +VCC)
NOIR (Excitation- ou GND)
BLANC (Amplifier+, Signal +, ou Output+)
VERT (Amplifier-, Signal -, ou Output-)
Afin de pouvoir être mis en œuvre le capteur devra être associé à 2 vis M4 et 2 vis M5. Nous proposons ces vis en bas de page.
Produits associés