Adaptateur DIL44 QFP44 70 broches pour composants TQFP 44
Dont 0,02 € d'eco-participation déjà incluse dans le prix
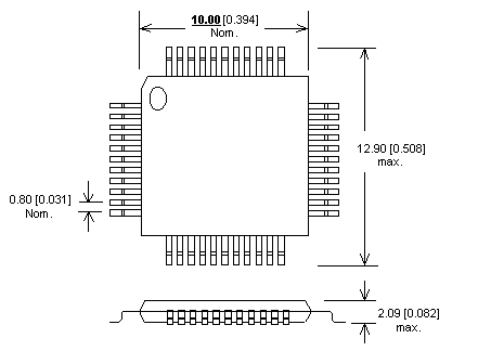
Pour composants TQFP 44 broches
- Type: universel
- Support: ZIF ClamShell pour composants TQFP 44 broches
- Corps: 394 mil - Pas 0,80 mm
- Cycles d'utilisation: 10 000
Raccordement des broches:
|
TQFP |
1 |
2 |
3 |
4 |
5 |
6 |
7 |
8 |
9 |
10 |
11 |
12 |
13 |
14 |
15 |
16 |
17 |
18 |
19 |
20 |
21 |
22 |
|
DIL |
7 |
8 |
9 |
10 |
11 |
12 |
13 |
14 |
15 |
16 |
17 |
18 |
19 |
20 |
21 |
22 |
23 |
24 |
25 |
26 |
27 |
28 |
|
TQFP |
23 |
24 |
25 |
26 |
27 |
28 |
29 |
30 |
31 |
32 |
33 |
34 |
35 |
36 |
37 |
38 |
39 |
40 |
41 |
42 |
43 |
44 |
|
DIL |
29 |
30 |
31 |
32 |
33 |
34 |
35 |
36 |
37 |
38 |
39 |
40 |
41 |
42 |
43 |
44 |
1 |
2 |
3 |
4 |
5 |
6 |
Boîtier(s) supporté(s) par cet adaptateur:
|
PQFP44 |
|
|
|
